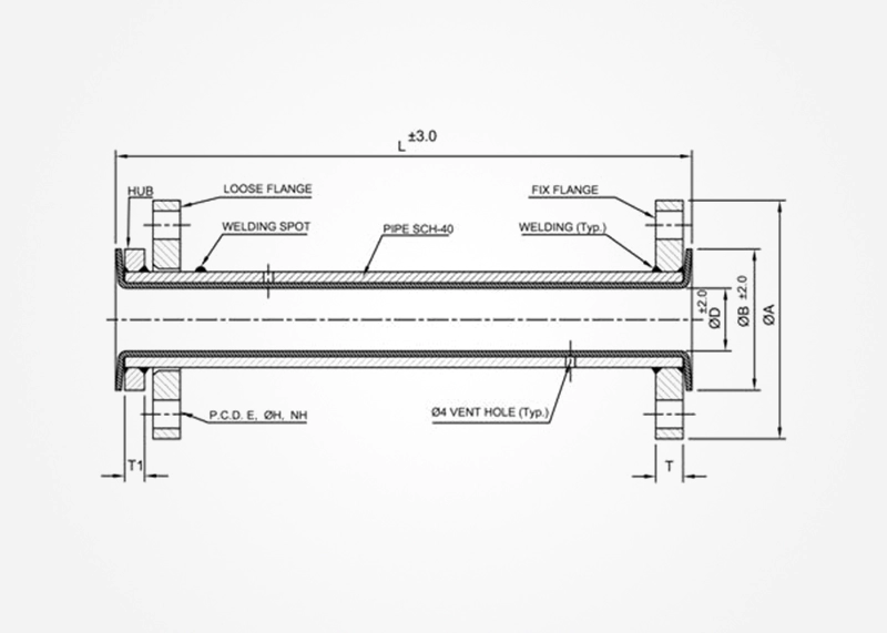
Spool pipes & Spacers Feature


Spool Pipes, Distance Pipes & Spacers | |
---|---|
Description | PTFE lined C.S spool pipes with one and fixed flange and other end loose flange with stub end |
Sizes Available | 25 NB to 350 NB, Max. upto 3 Meter length |
Lining Materials | Lined with PFA / FEP / PVDF / PTFE / PP / HDPE |
SPOOL PIPE | |
---|---|
FLANG / HUB | AS PER ASTM A-105 |
PIPE | ASTM A-106, Gr. B, Sch.40 |
LINER | PTFE CONFORMING TO ASTM :- D 4895 |
SPACER | |
---|---|
HUB | PLATE FLANGES AS PER- IS:2062 |
PIPE | SEAMLESS CARBON STEEL PIPES AS PER ASTM A-106,Gr.B, SCH-40 |
LINER | PTFE CONFORMING TO ASTM :-ASTM D-4895 |